新聞資訊
/行業新聞

隨著時代的不斷發展,電子產品的集成度越來越高,向著輕薄小巧發展,并且功能要求不斷的在增加。其中EMI問題日漸凸顯,導致干擾系統及損壞電路,影響正常運行工作。為了保證電源長期穩定可靠的運行,那么電源模塊外圍保護電路該如何設計呢?下面談談元件選型、EMC測試、消除干擾等要點。 1、元件選型: 一般選擇合適的保護元件是實現高效、高可靠性設計的關鍵,在選擇電路保護元件時保護電路不應干擾受保…

1、輸入電壓影響輸出電壓的指標 (1)穩壓系數 絕對穩壓系數是指負載不變時,穩壓電源輸出直流變化量△U0與輸入電網變化量△Ui之比。即K=△U0/△Ui。相對穩壓系數是指負載不變時,穩壓器輸出直流電壓△Uo的相對變化量△Uo與輸出電網Ui的相對變化量Ui之比。即S=△Uo/Uo/△Ui/Ui。 (2)電網調整率 電網調整率是指輸入電網電壓由額定值變化±10%時,穩壓電源輸出電壓的相對變化量,有時…

在我們選擇電源模塊的時候,大多數都是看其常規參數特性指標,但是開關頻率你真的了解?開關頻率選擇需要考慮哪些方面? 目前市場上AC-DC開關電源的開關頻率多數是在50-135K之間,可以滿足大部分應用場合的要求,還有一些應用在特殊場合的需要特殊的參數。一般開關頻率越低開關損耗就會越小,功率器件體積會隨開關頻率的減小而增大,從而不利于小型化。開關電源工作時磁芯會由于開關器件的開關而產生抖動,且人耳…

什么叫做電源模塊?電源模塊是一種可以直接貼裝在印刷電路板上的電源轉換器,按變換方式一般分為AC轉DC或DC轉DC。隨著科技的發展,電源體積趨向模塊化和小型化,于是出現了電源模塊。其集成度最高,將開關電源的主要電路集成在芯片中,可以實現寬頻調制、隔離及多種保護等功能。 常見的基本原理由以下部分組成,輸入整流濾波器,包含整流橋和輸入濾波電容。單片開關電源,包括功率開關管、控制器及MOSFET。還有…

電源模塊的應用越來越廣泛了,那么怎么來辨別電源模塊品質的好壞?電子設備的電源性能直接影響著系統的可靠性,因此正確識別電源的優劣就顯得尤為重要。一般我們在選擇電源模塊上僅從電源的輸入、輸出、紋波、擊穿、溫度、認證等特性指標來衡量電源的優劣,除開這些,我們還可以從別的一些方面判別,如下面幾點。 一、電路設計和焊接工藝 設計優劣的判別一般只能從專業角度著手,簡單的只能通過一些直觀的方法來辨別,如元件…

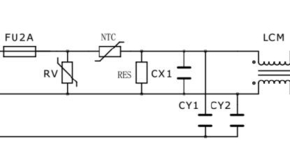
開關電源模塊主要電路是由輸入EMI、整流濾波電路、功率變換電路、PWM控制器電路、輸出整流濾波電路等組成。詳細如下圖所示: AC輸入原理圖分析: 防雷電路:當有雷擊產生高壓經過電網進入電源時,由MOV1、MOV2、MOV3和F1、F2、F3、FDG1組成的電路進行保護。當加在壓敏電阻兩端的電壓超過其工作電壓時,其阻值降低,使高壓能量消耗在壓敏電阻上,若電流過大,F…

TVS(瞬態抑制二極管)又叫鉗位型二極管,是目前常使用的一種高效能電路保護元件,它的外型與普通二極管相同,可以吸收高達數千瓦的浪涌功率。在反向應用條件下當承受一個高能量的大脈沖時,其工作阻抗立即降至極低的導通值,從而允許大電流通過,同時把電壓鉗制在預定水平。其響應時間僅為10-12納秒,因此可有效地保護電子線路中的精密元器件。 雙向TVS適用于交流電路,單向TVS一般用于直流電路。…

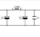
常見的π型濾波是兩個電容中間一個電感,有RC和LC兩種類型,一般在輸出電流不大的情況下用RC,并且R的取值不能太大,效果一般不如LC電路。在LC電路里有一個電感,可以根據輸出電流大小和頻率高低選擇電感量的大小。 π型濾波電路的作用就是去除不需要的諧波,在直流電源中是減小電流的脈動,使電流更加平滑。π型濾波是一種二級濾波器,一級電容和前級的輸出阻抗構成一級濾波,可以初步濾除交流分量。…

在電路中,電容是用來通過交流而阻隔直流,或用來存儲和釋放電荷以充當濾波器,平滑輸出脈動信號。小容量的電容一般在高頻電路中使用,大容量的電容往往是作濾波和存儲電荷使用。 電解電容的低頻特性好,陶瓷電容的高頻特性好,對于開關電源輸出端的平滑濾波電容,陶瓷電容容量肯定不夠。電源模塊的輸出電容一般是采用高頻低阻,因為開關電源整流輸出的是高頻直流脈沖信號,必須要用高頻低阻電容來濾波,這樣才能…

壓敏電阻是一種過壓保護元件,在工作時,每個壓敏電阻單元都承擔浪涌能量,而這些壓敏電阻單元大體上均勻分布在整個電阻體內,整個電阻體都承擔能量,而不像齊納二級穩壓管那樣只是結區承擔電功率,其電阻隨端電壓變化而變化。 壓敏電阻主要作用是抑制浪涌電壓,通常用來抗雷擊、過壓保護,防止電壓不穩定,對其它元件造成傷害。主要特點有工作電壓范圍寬、對過壓脈沖響應快、耐沖擊電流的能力強、漏電流小、電阻…